Podłączenie domofonu może wydawać się skomplikowane, ale z odpowiednią wiedzą można to zrobić samodzielnie. W zależności od rodzaju systemu, który posiadasz — analogowego lub cyfrowego — proces instalacji może się różnić. W tym artykule przedstawimy proste kroki dotyczące podłączania domofonów, abyś mógł cieszyć się nowym systemem komunikacyjnym w swoim domu.
Bez względu na to, czy instalujesz domofon w bloku, czy w domu jednorodzinnym, kluczowe jest zrozumienie, jakie przewody i urządzenia są potrzebne do prawidłowego połączenia. Pamiętaj, aby zawsze przestrzegać zasad bezpieczeństwa i, w razie wątpliwości, skonsultować się z fachowcem. Dzięki naszym wskazówkom, będziesz mógł szybko i sprawnie podłączyć swój domofon.
Najistotniejsze informacje:
- Podłączenie domofonu zależy od jego typu: analogowego lub cyfrowego.
- W przypadku domofonów cyfrowych wystarczy podłączyć przewody do zacisków „plus” i „minus” oraz ustawić numer mieszkania.
- Domofony analogowe wymagają podłączenia dwóch przewodów, a w przypadku systemów wielożyłowych, takich jak 4- lub 6-przewodowe, należy zachować szczególną ostrożność.
- Instalacja w domu jednorodzinnym wymaga przygotowania wykopu na przewody oraz odpowiedniego montażu kasety bramofonowej.
- Przed rozpoczęciem prac zawsze odłącz zasilanie i stosuj się do norm SEP.
Jak podłączyć domofon analogowy - krok po kroku dla użytkowników
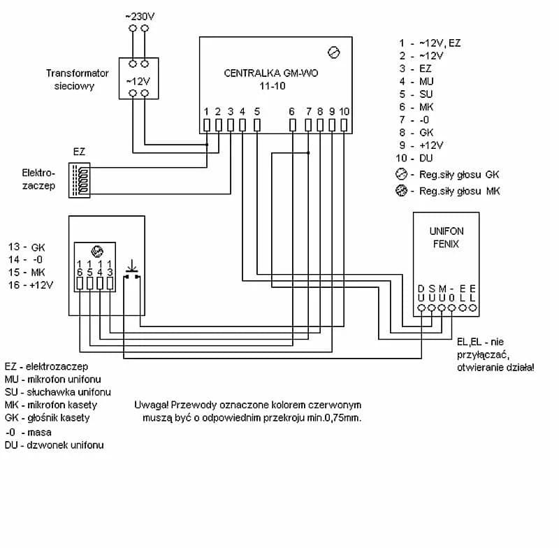
Podłączenie domofonu analogowego może wydawać się skomplikowane, ale z odpowiednimi instrukcjami można to zrobić samodzielnie. W przypadku domofonów dwużyłowych, znanych jako „mały pikuś”, proces jest stosunkowo prosty — wystarczy podłączyć dwa przewody: plus i minus. Ważne jest, aby przed rozpoczęciem prac upewnić się, że zasilanie jest odłączone, aby uniknąć niebezpieczeństwa porażenia prądem.
W przypadku bardziej złożonych systemów, takich jak domofony cztero- lub sześcioprzewodowe, podłączenie wymaga więcej uwagi. W takich instalacjach przewody są przeznaczone do różnych funkcji, takich jak wywołanie (dzwonek), masa, mikrofon oraz głośnik. Dlatego warto mieć kogoś, kto pomoże w testowaniu połączeń, aby upewnić się, że wszystko działa prawidłowo.
Wymagane narzędzia i materiały do podłączenia domofonu
Aby prawidłowo podłączyć domofon analogowy, będziesz potrzebować kilku podstawowych narzędzi i materiałów. Oto lista najważniejszych przedmiotów, które powinieneś mieć pod ręką:
- Wkrętarka - do mocowania kasety bramofonowej oraz unifonu.
- Przewody - dwużyłowe do podłączenia oraz ewentualnie cztero- lub sześcioprzewodowe w zależności od systemu.
- Obcinacz do przewodów - do przycinania i przygotowywania przewodów.
- Izolacja - taśma izolacyjna do zabezpieczania połączeń elektrycznych.
- Multimetr - do sprawdzania poprawności połączeń elektrycznych.
Szczegółowy proces podłączenia domofonu analogowego
Podłączanie domofonu analogowego zaczyna się od przygotowania miejsca instalacji. Najpierw zamontuj kasetę bramofonową na odpowiedniej wysokości, korzystając z wkrętarki. Następnie przystąp do podłączenia przewodów. W przypadku domofonu dwużyłowego wystarczy podłączyć przewody do zacisków „plus” i „minus”. W systemach czterożyłowych, będziesz musiał zidentyfikować funkcje każdego przewodu i podłączyć je odpowiednio do zacisków.
Po podłączeniu przewodów, sprawdź, czy wszystko działa poprawnie. Najlepiej to zrobić z pomocą drugiej osoby, która może testować dzwonek z dołu. Jeśli dzwonek nie działa, upewnij się, że przewody są właściwie podłączone, a w razie potrzeby zamień miejscami przewody masy i sygnału. Pamiętaj, aby po zakończeniu prac ponownie sprawdzić wszystkie połączenia i zabezpieczyć je taśmą izolacyjną.
Jak podłączyć domofon cyfrowy - proste instrukcje dla każdego
Podłączenie domofonu cyfrowego jest prostsze niż się wydaje, zwłaszcza gdy masz odpowiednie instrukcje. W przypadku cyfrowych systemów interkomowych, wystarczy podłączyć przewody do odpowiednich zacisków, a następnie skonfigurować numer mieszkania. W przeciwieństwie do analogowych systemów, cyfrowe domofony często oferują więcej funkcji, takich jak możliwość podłączenia do sieci Wi-Fi czy obsługa wideodomofonów. Dzięki tym zaletom, cyfrowe interkomy stają się coraz bardziej popularne w nowoczesnych budynkach.
Podczas instalacji domofonu cyfrowego ważne jest, aby starannie zaplanować układ przewodów oraz ich długość. Zazwyczaj instalacja wymaga użycia przewodów dwużyłowych, które są podłączane do zacisków „plus” i „minus”. Użytkownik powinien również ustawić numer mieszkania za pomocą nasuwek lub panelu elektrycznego. Pamiętaj, aby przed rozpoczęciem prac odłączyć zasilanie, co zapewni bezpieczeństwo podczas instalacji.
Kluczowe różnice między domofonem analogowym a cyfrowym
Główne różnice między domofonem analogowym a cyfrowym obejmują zarówno funkcjonalność, jak i wymagania dotyczące instalacji. Domofony analogowe działają na prostszej zasadzie, polegającej na bezpośrednim przesyłaniu sygnału dźwiękowego, podczas gdy cyfrowe systemy wykorzystują technologię cyfrową, co pozwala na przesyłanie dźwięku oraz obrazu w wysokiej jakości. Dodatkowo, domofony cyfrowe mogą być zintegrowane z systemami inteligentnego domu, co daje większe możliwości zarządzania.
| Funkcja | Domofon analogowy | Domofon cyfrowy | 
|---|---|---|
| Jakość dźwięku | Standardowa | Wysoka, cyfrowa | 
| Możliwość wideodomofonu | Nie | Tak | 
| Integracja z inteligentnym domem | Nie | Tak | 
| Łatwość instalacji | Prosta | Wymaga więcej planowania | 
Krok po kroku: instalacja domofonu cyfrowego w bloku
Aby podłączyć domofon cyfrowy w bloku, należy rozpocząć od odpowiedniego przygotowania. Pierwszym krokiem jest zidentyfikowanie miejsca, w którym zamontujesz kasetę bramofonową. Upewnij się, że jest to miejsce dobrze widoczne i dostępne dla gości. Następnie przygotuj przewody, które będą prowadziły od kasety do unifonu w mieszkaniu. W przypadku systemów cyfrowych najczęściej używa się przewodów dwużyłowych.
Po zamontowaniu kasety bramofonowej, przystąp do podłączenia przewodów. Podłącz jeden przewód do zacisku „plus” i drugi do zacisku „minus”. Upewnij się, że przewody są dobrze zabezpieczone, aby uniknąć przypadkowych rozłączeń. Po zakończeniu podłączania, skonfiguruj numer mieszkania za pomocą nasuwek lub panelu elektrycznego, zgodnie z instrukcją producenta. Pamiętaj, aby przed rozpoczęciem instalacji zawsze odłączyć zasilanie, co zapewni bezpieczeństwo podczas pracy.
Przygotowanie wykopu i montaż kasety bramofonowej
Aby podłączyć domofon w domu jednorodzinnym, pierwszym krokiem jest przygotowanie wykopu na długości od domu do bramy. Wykop powinien być wystarczająco głęboki, aby umieścić w nim przewód zabezpieczony osłoną, co zapewni jego ochronę przed uszkodzeniami. Upewnij się, że przewód jest odpowiednio długi, aby dotrzeć do kasety bramofonowej. Warto również sprawdzić, czy w miejscu montażu nie ma przeszkód, takich jak korzenie drzew czy inne instalacje podziemne.
Po przygotowaniu wykopu, przystąp do montażu kasety bramofonowej. Można to zrobić na dwa sposoby: na kołkach rozporowych lub w sposób podtynkowy, w zależności od preferencji oraz warunków budowlanych. Upewnij się, że kaseta jest zamontowana na stabilnej powierzchni i jest dobrze widoczna dla gości. Następnie podłącz przewód do płytki kasety, dbając o poprawne podłączenie żył zgodnie z instrukcją producenta.
Podłączenie unifonu i zasilania w domach jednorodzinnych
Po zamontowaniu kasety bramofonowej, następnym krokiem jest podłączenie unifonu oraz zasilania. Umieść unifon w dogodnym miejscu na ścianie, gdzie będzie łatwo dostępny. Podłącz przewód do płytki unifonu, zwracając uwagę na odpowiednie zaciski. Zazwyczaj unifon wymaga podłączenia dwóch przewodów: zasilającego i sygnałowego. Upewnij się, że wszystkie połączenia są dobrze zabezpieczone i nie ma luzów, które mogłyby prowadzić do problemów z działaniem.
Po podłączeniu unifonu, sprawdź, czy wszystko działa poprawnie. W przypadku problemów, takich jak brak dzwonka, upewnij się, że przewody są właściwie podłączone oraz że zasilacz jest aktywny. Warto również sprawdzić, czy nie występują zwarcia w instalacji. Jeśli masz wątpliwości co do podłączenia, najlepiej skonsultować się z fachowcem, który pomoże w rozwiązaniu problemów.
Czytaj więcej: Jak podłączyć domofon Laskomex LY-8 bez błędów i problemów?
Jak rozwiązywać najczęstsze problemy z domofonem
Podczas użytkowania domofonu, zarówno analogowego, jak i cyfrowego, mogą wystąpić różne problemy. Do najczęstszych z nich należy brak dzwonka, zakłócenia w dźwięku, czy problemy z obrazem w systemach wideodomofonowych. Ważne jest, aby znać podstawowe metody diagnozowania tych problemów, co pozwoli na szybkie ich rozwiązanie. W wielu przypadkach można samodzielnie naprawić drobne usterki, co zaoszczędzi czas i pieniądze na serwisie.
W przypadku problemów z dzwonkiem, warto najpierw sprawdzić, czy przewody są prawidłowo podłączone oraz czy zasilanie jest aktywne. Jeśli domofon nie dzwoni, może to być spowodowane uszkodzeniem przycisku dzwonka lub problemem z zasilaczem. W przypadku zakłóceń w dźwięku, sprawdź, czy nie ma luźnych połączeń lub uszkodzonych przewodów. W sytuacji, gdy problemy się powtarzają, warto skonsultować się z fachowcem, który dokładniej zdiagnozuje usterkę.
Diagnostyka i naprawa problemów z dzwonkiem domofonu
Aby zdiagnozować problemy z dzwonkiem domofonu, należy najpierw sprawdzić, czy wszystkie przewody są prawidłowo podłączone. Upewnij się, że zasilacz działa, a przewody nie są uszkodzone. Możesz także przetestować przycisk dzwonka, naciskając go kilka razy, aby sprawdzić, czy dźwięk się pojawia. Jeśli dzwonek nie działa, spróbuj zamienić miejscami przewody, aby upewnić się, że nie ma problemu z ich połączeniem.
W przypadku, gdy dzwonek nadal nie działa, warto sprawdzić, czy nie występują zwarcia w instalacji. Użycie multimetru do pomiaru napięcia na zaciskach może pomóc w identyfikacji problemu. Jeśli po sprawdzeniu wszystkich elementów dzwonek nadal nie działa, może być konieczna wymiana uszkodzonego elementu, takiego jak przycisk dzwonka lub zasilacz.
Co robić, gdy domofon nie działa poprawnie?
Jeśli Twój domofon nie działa poprawnie, pierwszym krokiem jest sprawdzenie połączeń elektrycznych. Upewnij się, że wszystkie przewody są prawidłowo podłączone i że nie ma luzów. Sprawdź również, czy zasilacz jest aktywny i czy nie występują problemy z zasilaniem. W przypadku systemów wideodomofonowych, upewnij się, że kamera jest właściwie ustawiona i nie jest zasłonięta.
Jeśli po sprawdzeniu wszystkich połączeń problem nadal występuje, warto skonsultować się z profesjonalnym serwisem. Fachowiec będzie w stanie dokładnie zdiagnozować problem i zaproponować odpowiednie rozwiązanie. Nie należy ignorować problemów z domofonem, ponieważ mogą one prowadzić do większych usterek w przyszłości.
Jak zwiększyć bezpieczeństwo z domofonem i systemem monitoringu
W dzisiejszych czasach, zwiększenie bezpieczeństwa w domu to priorytet dla wielu właścicieli. Integracja domofonu z systemem monitoringu wizyjnego może znacząco poprawić ochronę Twojej posesji. Dzięki technologii smart home, możesz zdalnie monitorować sytuację w okolicy swojego domu, a także mieć dostęp do nagrań z kamer w czasie rzeczywistym. Taki system nie tylko informuje o przybyciu gości, ale także pozwala na szybką reakcję w przypadku niepożądanych incydentów.
Warto również rozważyć zastosowanie czujników ruchu w połączeniu z domofonem, co pozwoli na automatyczne uruchamianie nagrywania w momencie wykrycia ruchu. Dzięki temu masz pewność, że żadne zdarzenie nie umknie Twojej uwadze, a Ty możesz spokojnie monitorować sytuację z dowolnego miejsca za pomocą aplikacji na smartfona. Taka integracja nie tylko zwiększa bezpieczeństwo, ale także podnosi wartość nieruchomości, czyniąc ją bardziej atrakcyjną dla przyszłych nabywców.





