Co może uruchomić alarm w domu? Unikaj fałszywych alarmów i zagrożeń
Dowiedz się, co może uruchomić alarm w domu i jak unikać fałszywych alarmów. Zwiększ bezpieczeństwo swojego domu dzięki skutecznym rozwiązaniom.
Co może uruchomić alarm w domu? Unikaj fałszywych alarmów i zagrożeń
Dowiedz się, co może uruchomić alarm w domu i jak unikać fałszywych alarmów. Zwiększ bezpieczeństwo swojego domu dzięki skutecznym rozwiązaniom.
Po co alarm w domu? Odkryj kluczowe korzyści dla bezpieczeństwa
Poznaj, po co alarm w domu i jakie korzyści przynosi dla bezpieczeństwa. Zainwestuj w nowoczesne systemy, które chronią przed zagrożeniami.
Co to jest interkom w domofonie i jak ułatwia komunikację?
Zastanawiasz się, co to jest interkom w domofonie? Dowiedz się, jak interkomy ułatwiają komunikację i zwiększają bezpieczeństwo w budynkach.
Alarm w domu jaki wybrać, aby zapewnić bezpieczeństwo i oszczędności
Wybierz odpowiedni alarm w domu jaki, aby zapewnić maksymalne bezpieczeństwo i oszczędności. Sprawdź dostępne opcje i podejmij świadomą decyzję!
Jak założyć alarm w domu i uniknąć kosztownych włamań
Zainstaluj skuteczny alarm w domu, aby uniknąć kosztownych włamań. Sprawdź, jakie funkcje i czujniki są niezbędne dla Twojego bezpieczeństwa.
Jak podłączyć domofon Orno OR-AD-5002 - proste kroki i porady
Dowiedz się, jak podłączyć domofon Orno OR-AD-5002 w prosty sposób. Sprawdź nasze porady dotyczące instalacji i testowania funkcji urządzenia.
Jaki kabel do domofonu z kamerą – uniknij kosztownych błędów instalacji
Wybierz odpowiedni kabel do domofonu z kamerą, aby zapewnić wysoką jakość sygnału i uniknąć kosztownych błędów w instalacji. Sprawdź nasze porady!
Jak zamontować alarm w domu: proste kroki, by zwiększyć bezpieczeństwo
Dowiedz się, jak zamontować alarm w domu w prosty sposób. Zwiększ bezpieczeństwo swojej rodziny dzięki skutecznym rozwiązaniom i praktycznym wskazówkom.
Jak podłączyć domofon Laskomex LY-8 bez błędów i problemów?
Dowiedz się, jak podłączyć domofon Laskomex LY-8 bez błędów. Proste kroki i praktyczne porady zapewnią prawidłowe działanie systemu domofonowego.
Czy montować alarm w domu? Oto korzyści i koszty instalacji
Zastanawiasz się, czy montować alarm w domu? Sprawdź korzyści, koszty instalacji i dowiedz się, jak zwiększyć bezpieczeństwo swojej rodziny.
Jakie przyciski w domofonie otwierają drzwi? Sprawdź to teraz
Dowiedz się, który przycisk w domofonie otwiera drzwi. Sprawdź typowe konfiguracje i rozwiąż problemy z przyciskami w swoim systemie domofonowym.
Ile prądu pobiera alarm w domu? Sprawdź koszty i oszczędności
Ile prądu pobiera alarm w domu? Sprawdź, jak obliczyć koszty energii i dowiedz się, jak oszczędzać na rachunkach za prąd.
Jak otworzyć drzwi domofonem - proste metody i najczęstsze problemy
Jak otworzyć drzwi domofonem? Poznaj proste metody, w tym użycie przycisku i kodu dostępu, oraz najczęstsze problemy, które mogą wystąpić.
Jaki przewód do domofonu wybrać, aby uniknąć problemów z instalacją?
Wybierz odpowiedni przewód do domofonu, aby zapewnić niezawodność i jakość sygnału. Sprawdź, jakie kable najlepiej pasują do Twojego systemu.
Jaki domofon do furtki wybrać, by uniknąć kosztownych błędów?
Wybierz idealny domofon do furtki, aby zapewnić sobie bezpieczeństwo i wygodę. Sprawdź, na co zwrócić uwagę, aby uniknąć kosztownych błędów.
Jakie kable do domofonu? Wybierz najlepsze rozwiązanie dla siebie
Wybierz odpowiednie kable do domofonu, aby zapewnić niezawodność i jakość. Sprawdź, jakie kable do domofonu będą najlepsze dla Twojego systemu.
Jak otworzyć domofon bez klucza - proste sposoby na dostęp
Szukasz sposobów, jak otworzyć domofon bez klucza? Sprawdź nasze proste metody, które ułatwią dostęp do Twojego mieszkania!
Jaki domofon do bloku wybrać, aby zwiększyć bezpieczeństwo mieszkańców?
Wybór odpowiedniego domofonu do bloku to klucz do zwiększenia bezpieczeństwa mieszkańców. Sprawdź, jakie modele najlepiej spełnią Twoje potrzeby.
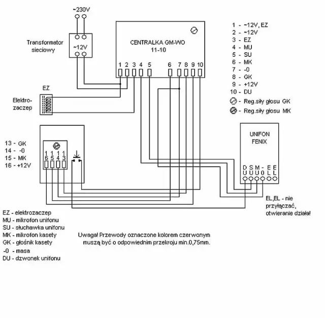
Jak podłączyć domofon - proste kroki dla analogowych i cyfrowych systemów
Dowiedz się, jak podłączyć domofon w prosty sposób. Zobacz krok po kroku, jak zainstalować zarówno analogowe, jak i cyfrowe systemy.
Jak wyłączyć domofon i zlikwidować hałas w mieszkaniu
Jak wyłączyć domofon w prosty sposób i zlikwidować hałas w mieszkaniu. Dowiedz się, jak skutecznie dezaktywować dzwonek i cieszyć się ciszą.
Jak wyciszyć domofon i pozbyć się uciążliwego hałasu
Dowiedz się, jak wyciszyć domofon i skutecznie zredukować uciążliwy hałas w swoim otoczeniu, korzystając z prostych metod i rozwiązań.
Jaki kabel do domofonu i elektrozaczepu - uniknij błędów w instalacji
Wybierz odpowiedni kabel do domofonu i elektrozaczepu, aby uniknąć błędów w instalacji. Sprawdź nasze praktyczne porady i zalecenia!
Jak podłączyć domofon 2 żyłowy? Proste kroki i najczęstsze błędy
Dowiedz się, jak podłączyć domofon 2 żyłowy w prosty sposób. Poznaj najczęstsze błędy i unikaj problemów podczas instalacji.
Jak podłączyć domofon w bloku 2 przewodowy - uniknij najczęstszych błędów
Jak podłączyć domofon w bloku 2 przewodowy? Sprawdź najczęstsze błędy i skuteczne rozwiązania, aby zapewnić prawidłowe działanie swojego systemu.
Jak zamontować domofon - proste kroki, które zaoszczędzą czas i nerwy
Szukasz, jak zamontować domofon? Poznaj proste kroki, które ułatwią instalację i zaoszczędzą Twój czas oraz nerwy.